欢迎来到- 广东省广宁县江南电机有限公司 的官方网站, 船用三相异步电动机、船用轴流风机用三相异步电动机、轴流风机用三相异步电动机!

产品展示

PRODUCTS

联系我们

CONTACT US

广东广宁县江南电机有限公司
地址:广东省广宁县南街镇南东二路116号
邮编:526300
电话:0758-8662823
网址:www.marinemotor.net
PRODUCTS
产品展示
当前位置:网站首页 > 产品展示
YT2 系列轴流风机用三相异步电动机

YT2 系列轴流风机用三相异步电动机(机座号80~132)

YT2 Series Three-phase Asynchronous Motor For Axial Flow Fan (Frame size 80~132)

YT2 系列轴流风机用三相异步电动机是为为全封闭、鼠笼型电动机,具有高效、节能、起动转矩大、性能好、噪声低等优点。

YT2  series motors are totally-enclosed, squirrel-caged type. It has advantage of high efficiency、energy-saving、big starting torque、good performance、low noise and so on.

工作环境条件(Operating Conditions)

环境温度(Ambient Temperature):-15~+45℃;

海    拔(Altitude):0m;

额定频率(Rated Frequency):50Hz;

额定电压(Rated Voltage):  380V;

接线方法(Connection):3kW以下为Y,其他功率为△(3kW or Less Y、more than 3kW △);

工作方式(Duty Type):连续S1(Continuous)。

技术数据(Technical Data)

型号
Type
功率
Output kW
电流
Current A
转速
Speed r/min
型号
Type
功率
Output kW
电流
Current  A
转速
Speed r/min
YT2-80M1-2 0.75 1.8 2820 YT2-100L2-4 3 6.8 1420
YT2-80M2-2 1.1 2.6 2820 YT2-112M-4 4 8.9 1440
YT2-90S-2 1.5 3.5 2840 YT2-132S-4 5.5 11.7 1440
YT2-90L-2 2.2 4.9 2840 YT2-132M-4 7.5 15.4 1440
YT2-100L-2 3 6.2 2880 YT2-80M1-6 0.37 1.31 890
YT2-112M-2 4 8.2 2890 YT2-80M2-6 0.55 1.7 890
YT2-132S1-2 5.5 11 2900 YT2-90S-6 0.75 2.2 910
YT2-132S2-2 7.5 14.6 2900 YT2-90L-6 1.1 3.2 910
YT2-801-4 0.55 1.5 1390 YT2-100L-6 1.5 4 940
YT2-802-4 0.75 2.1 1390 YT2-112M-6 2.2 5.8 940
YT2-90S-4 1.1 2.7 1400 YT2-132S-6 3 7.2 960
YT2-90L-4 1.5 3.6 1400 YT2-132M1-6 4 9.5 960
YT2-100L1-4 2.2 5 1420 YT2-132M2-6 5.5 12.5 960

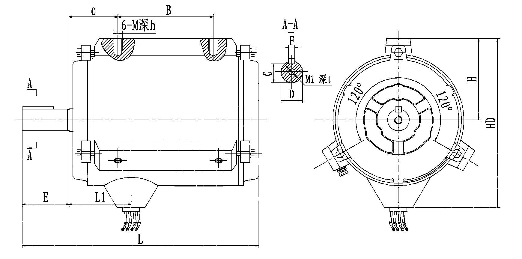
外形及安装尺寸

(Mounting and Overall Dimensions)

机座号  Frame Size 外形安装尺寸 Mounting and Overall Dimension
B C D E F G H L1 M深 h M1深t L HD
80 83 61 19 40 6 15.5 86 48 M8深15 M6深15 250 200
90S 86 60 24 50 8 20 100 55 M12深18 M8深15 270 230
90L 115 295
100L 130 73 28 60 24 105 80 M12深15 M10深15 330 250
112M 80 115 85 M10深20 340 275
132S 100 38 80 10 33 135 105 M14深18 M12深20 400 315
132M 168 440

注:机座号为160及其以上电机,参照YT2-H 系列。

For the motors, if frame size over 160 and include it, all the data and dimension refer to YT2-H series motors.

注:本产品样本中,所有产品数据参数仅供参考,如有疑问请与工厂联系,并以定货时提供给用户的确认资料为准。

Note:All data shown on this catalogue is just for reference, all the data should be confirmed by final order, if you have any other questions, please contact us.

上一页:YZ-H系列船用起重用三相异步电动机

COPYRIGHT © 2020 广东省广宁县江南电机有限公司 版权归本公司所有
未经授权任何其他公司或个人均不允许来复制、抄袭!

粤ICP备2020124090号
联系我们
CONTACT US

地址:广东省广宁县南街镇南东二路116号
邮编:526300
手机:18562148898
电话:0758-8662823
邮箱:admin@marinemotor.net

网址:http://www.marinemotor.net

客户反馈 联系我们 返回顶部

扫描浏览手机站