YVP-H系列船用变频调速三相异步电动机(机座号80~355)
YVP-H Series Three phase Marine Asynchronous Motor of Variable Frquency Speed Contorl (Frame Size80~315)
产品概述 (Product Overview )
YVP-H 系列电动机是一种交流、高效、节能变频调速船用电动机,与变频器配合使用,是机电一体化的调速新产品。功率等级和安装尺寸完全符合国际电工委员会(IEC)标准,适用于船舶上作驱动各种机械,如泵类、通风机、分离器、液压机械及其它辅助设备等之用。该电机具有如下优点:
1. 效率高,节能效果明显;
2. 调频范围下,能在5Hz~100Hz甚至更广的范围内平滑无极调速;
3. 噪声低、振动小;
4. 起动转矩大、起动电流小,无须附加起动设备,低频起动对负载冲击小;
5. 结构简单,运行稳定,使用可靠,维护方便;
6. 单独装有强迫冷却风机,在不同的转速下均有较好的冷却效果;
7.应用范围广,可以在基频(50Hz)以下作恒转矩、基频(50Hz)以上作恒功率运行,基本可以取代任何一种调速产品。
YVP-H series is high efficiency,energy-saving,variable frequency speed contorl of AC marine motors. it is a new mechatronics products of speed contorl. the output and mounting dimension are designed accord with IEC standard. the motors are used to drive various motor on ships, such as pump,ventilator,seperator, hydraulic engines and other auxiliary equipment. motor's feature is as followed:
1. high efficiency,energy-saving;
2. smooth and stepless speed could be contolled during 5Hz~100Hz even more than that;
3. low noise、small vibration;
4. high starting torque,low starting current, without additional starter,small impact on load during starting with low frequency.
5. simple construction,stable working, reliable operation, easy maintenance;
6. there is seperated forced cooling fan, so as to get good cooling effect no matter what speed.
7. wide range of application, motor could output constant torque below rated frequency(50Hz) and output constant power above rated frquency(50Hz).It can be say that the motor could displace a majority of speed contorl products.
工作环境条件(Operating Conditions)
海拔≤1000m
Altitude should be lower than 1000m above sea level
环境温度: 0~+45℃
Ambient temperature 0~+45℃
空气相对湿度 ≤95%
Relative humidity should be less than 95%.
倾斜: ±30°
Inclination :±30°
摇摆: ±22.5°
Swing:±22.5°
有盐雾、油雾、霉菌及海水的影响
Influenced by Dew、Salt mist、Oil mist、Fungus and sea water.
有船舶和近海装置正常营运和作业中产生的冲击、振动的影响
Influenced by shock and vibration come from ships and offshore installation.
防护等级:IP54; 绝缘等级:F
Protection :IP54 ; Insulation :F
电压/频率:380V/50Hz
Voltage/Frequency: 380V/50Hz
调频范围(Range of frequency):
机座号(frame size):80~225:恒转矩(constant torque):5~50Hz;恒功率(constant power):50~100Hz;
机座号(frame size):250~355:恒转矩(constant torque):3~50Hz;恒功率(constant power):50~100Hz;
型号说明(Type Designation)
轴 承(Bearing)
|
机座号 Frame Size
|
极数 No. of poles
|
轴承 Bearings
|
|
主轴伸端 Driving end
|
非轴伸端
|
|
B3、B5、B35
|
V1
|
Non-Driving end
|
|
80
|
2,4
|
6204-2RS/C3
|
6204-2RS/C3
|
|
90
|
2,4,6
|
6205-2RS/C3
|
6205-2RS/C3
|
|
100
|
2,4,6
|
6206-2RS/C3
|
6206-2RS/C3
|
|
112
|
2,4,6,8
|
6206-2RS/C3
|
6206-2RS/C3
|
|
132
|
2,4,6,8
|
6208-2RS/C3
|
6208-2RS/C3
|
|
160
|
2,4,6,8
|
6309-2RS/C3
|
6309-2RS/C3
|
|
180
|
2,4,6,8
|
6311/C3
|
6311/C3
|
|
200
|
2,4,6,8
|
6312/C3
|
6312/C3
|
|
225
|
2 / 4,6,8
|
6312/C3/6313/C3
|
6312/C3
|
|
250
|
2 / 4,6,8
|
6313/C3/6314/C3
|
6313/C3
|
|
280
|
2/4,6,8
|
6314/C3/6317/C3
|
6314C3
|
|
315
|
2/4,6,8
|
6317/C3/N319/Z2
|
7317ACJ/7319ACJ
|
6317/C3/6319/Z2
|
|
355
|
2/4,6,8
|
6319/C3/N322/Z2
|
7319ACJ/7322ACJ
|
6319/C3/6322/Z2
|
技术数据(Technical Data)
型号
Type
|
标称功率
Nominal output (kW)
|
标称电流
Nominal current (A)
|
额定转速
Rated speed (r/min)
|
额定转矩
Rated Torque (N·m)
|
zui大转矩
额定转矩
Maximum torque vs Rated torque
|
恒转矩变频范围
Frequency range of constant torque
|
恒功率变频范围
Frqeuency range of constant power
|
|
YVP80M1-4-H
|
0.55
|
1.5
|
1390
|
3.5
|
2.3
|
5~50
|
50~100
|
|
YVP80M2-4-H
|
0.75
|
2.1
|
1390
|
4.7
|
|
YVP90S-4-H
|
1.1
|
2.7
|
1400
|
7
|
|
YVP90L-4-H
|
1.5
|
3.6
|
1400
|
9.5
|
|
YVP100L1-4-H
|
2.2
|
5
|
1420
|
14
|
|
YVP100L2-4-H
|
3
|
6.8
|
1420
|
19
|
|
YVP112M-4-H
|
4
|
8.9
|
1440
|
25.4
|
|
YVP132S-4-H
|
5.5
|
11.7
|
1440
|
35
|
|
YVP132M-4-H
|
7.5
|
15.4
|
1440
|
47.7
|
|
YVP160M-4-H
|
11
|
22.6
|
1460
|
70
|
|
YVP160L-4-H
|
15
|
30.5
|
1460
|
95.5
|
|
YVP180M-4-H
|
18.5
|
35.9
|
1470
|
117.1
|
|
YVP180L-4-H
|
22
|
42.2
|
1470
|
140.9
|
|
YVP200L-4-H
|
30
|
57.3
|
1476
|
190.9
|
|
YVP225S-4-H
|
37
|
70.2
|
1481
|
235.5
|
|
YVP225M-4-H
|
45
|
84
|
1480
|
286.4
|
|
YVP250M-4-H
|
55
|
104
|
1480
|
350.1
|
3~50
|
|
YVP280S-4-H
|
75
|
139
|
1480
|
477.7
|
|
YVP280M-4-H
|
90
|
164
|
1480
|
572.9
|
|
YVP315S-4-H
|
110
|
201
|
1480
|
700.2
|
2.2
|
|
YVP315M-4-H
|
132
|
240
|
1480
|
840.3
|
|
YVP315L1-4-H
|
160
|
289
|
1480
|
1018
|
|
YVP315L2-4-H
|
200
|
361
|
1480
|
1273
|
|
YVP355M-4-H
|
250
|
465
|
1480
|
1592
|
|
YVP355L-4-H
|
315
|
582
|
1480
|
2005
|
型 号
Type
|
标称功率
Nominal output (kW)
|
标称电流
Nominal current (A)
|
额定转速
Rated speed (r/min)
|
额定转矩
Rated Torque (N·m)
|
zui大转矩
额定转矩 Maximum torque vs Rated torque
|
恒转矩变频范围
Frequency range of constant torque
|
恒功率变频范围
Frqeuency range of constant power
|
|
YVP90S-6-H
|
0.75
|
2.2
|
910
|
7.2
|
2.1
|
5~50
|
50~100
|
|
YVP90L-6-H
|
1.1
|
3.2
|
910
|
10.5
|
|
YVP100L-6-H
|
1.5
|
4
|
940
|
14.3
|
|
YVP112M-6-H
|
2.2
|
5.8
|
940
|
21
|
|
YVP132S-6-H
|
3
|
7.2
|
960
|
28.7
|
|
YVP132M1-6-H
|
4
|
9.5
|
960
|
38.2
|
|
YVP132M2-6-H
|
5.5
|
12.5
|
960
|
52.5
|
|
YVP160M-6-H
|
7.5
|
17.1
|
970
|
71.6
|
|
YVP160L-6-H
|
11
|
25
|
970
|
105.1
|
|
YVP180L-6-H
|
15
|
33
|
970
|
143.2
|
|
YVP200L1-6-H
|
18.5
|
37.6
|
980
|
176.7
|
|
YVP200L2-6-H
|
22
|
44.7
|
980
|
210.1
|
|
YVP225M-6-H
|
30
|
61.1
|
985
|
286.5
|
|
YVP250M-6-H
|
37
|
71
|
980
|
353.4
|
3~50
|
|
YVP280S-6-H
|
45
|
86.4
|
980
|
429.8
|
2
|
|
YVP280M-6-H
|
55
|
103
|
980
|
525.3
|
|
YVP315S-6-H
|
75
|
141
|
980
|
716.3
|
|
YVP315M-6-H
|
90
|
169
|
980
|
859.5
|
|
YVP315L1-6-H
|
110
|
206
|
980
|
1051
|
|
YVP315L2-6-H
|
132
|
246
|
980
|
1261
|
|
YVP355M1-6-H
|
160
|
302
|
980
|
1528
|
|
YVP355M2-6-H
|
200
|
377
|
980
|
1910
|
|
YVP355L-6-H
|
250
|
469
|
980
|
2388
|
型号
Type
|
标称功率
Nominal output (kW)
|
标称电流
Nominal current (A)
|
额定转速
Rated speed (r/min)
|
额定转矩
Rated Torque (N·m)
|
zui大转矩
额定转矩 Maximum torque vs Rated torque
|
恒转矩变频范围
Frequency range of constant torque
|
恒功率变频范围
Frqeuency range of constant power
|
|
YVP132S-8-H
|
2.2
|
5.8
|
710
|
28
|
2
|
5~50
|
50~100
|
|
YVP132M-8-H
|
3
|
7.6
|
710
|
38.2
|
|
YVP160M1-8-H
|
4
|
10.5
|
720
|
50.9
|
|
YVP160M2-8-H
|
5.5
|
13.4
|
720
|
70
|
|
YVP160L-8-H
|
7.5
|
17.7
|
720
|
95.5
|
|
YVP180L-8-H
|
11
|
25.6
|
730
|
140.1
|
|
YVP200L-8-H
|
15
|
33.3
|
729
|
191
|
|
YVP225S-8-H
|
18.5
|
40.3
|
735
|
235.6
|
|
YVP225M-8-H
|
22
|
47.4
|
734
|
278.1
|
|
YVP250M-8-H
|
30
|
64.7
|
730
|
382
|
3~50
|
|
YVP280S-8-H
|
37
|
79.8
|
740
|
471.1
|
|
YVP280M-8-H
|
45
|
94.8
|
740
|
573
|
|
YVP315S-8-H
|
55
|
113.5
|
740
|
700.3
|
|
YVP315M-8-H
|
75
|
152
|
740
|
955
|
|
YVP315L1-8-H
|
90
|
179
|
740
|
1146
|
|
YVP315L2-8-H
|
110
|
218
|
740
|
1400
|
|
YVP355M1-8-H
|
132
|
265
|
740
|
1681
|
|
YVP355M2-8-H
|
160
|
320
|
740
|
2037
|
|
YVP355L-8-H
|
200
|
399
|
740
|
2547
|
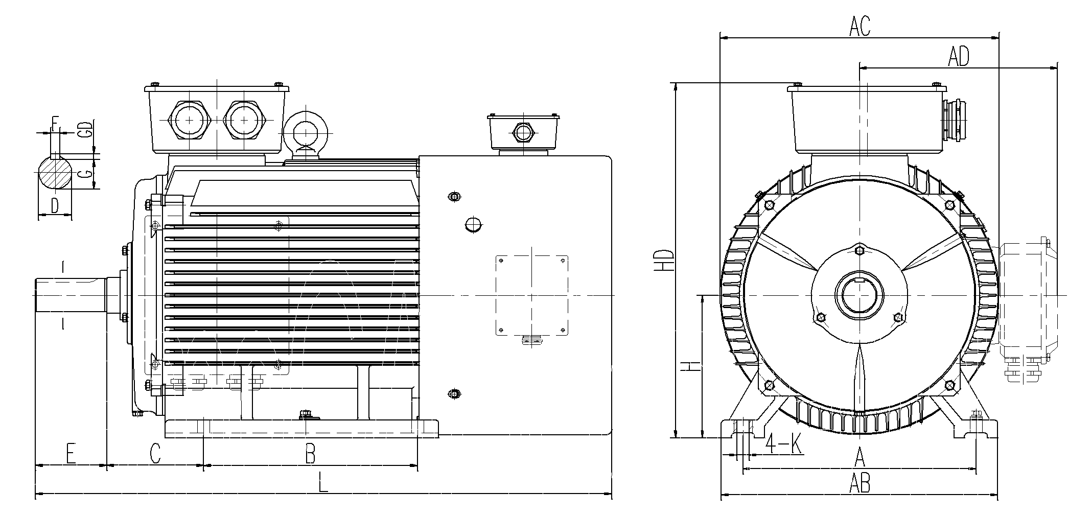
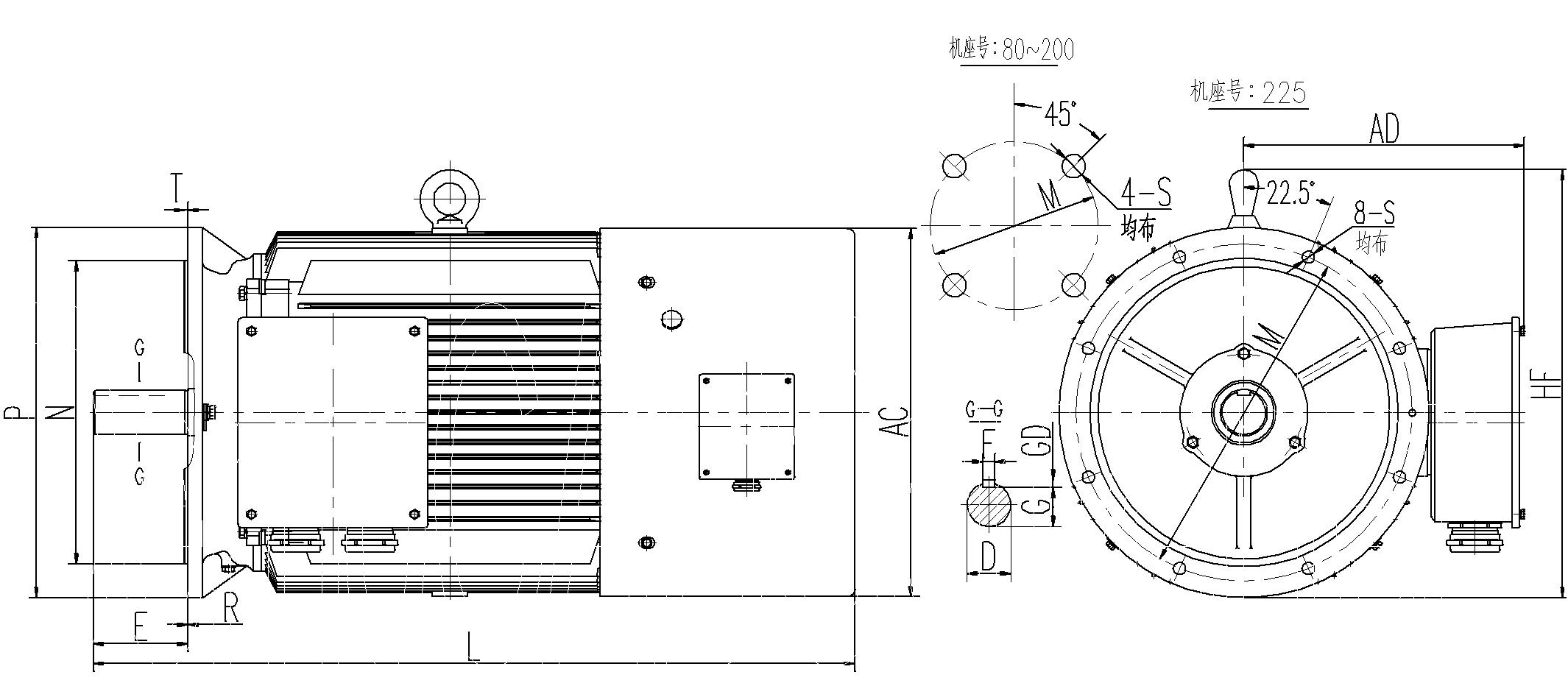
外形及安装尺寸
(Mounting and Overall Dimensions)
机座号
Frame Size
|
安装及外形尺寸
Mounting and overall dimensions
|
|
A
|
B
|
C
|
D
|
E
|
F
|
G
|
GD
|
H
|
K
|
AB
|
AC
|
AD
|
HD
|
L
|
|
80M
|
125
|
100
|
50
|
19
|
40
|
6
|
15.5
|
6
|
80
|
10
|
165
|
175
|
160
|
240
|
350
|
|
90S
|
140
|
56
|
24
|
50
|
8
|
20
|
7
|
90
|
180
|
195
|
175
|
270
|
400
|
|
90L
|
125
|
430
|
|
100L
|
160
|
140
|
63
|
28
|
60
|
24
|
100
|
12
|
205
|
215
|
185
|
290
|
465
|
|
112M
|
190
|
70
|
112
|
245
|
240
|
195
|
320
|
490
|
|
132S
|
216
|
89
|
38
|
80
|
10
|
33
|
8
|
132
|
280
|
275
|
245
|
365
|
430
|
|
132M
|
178
|
590
|
|
160M
|
254
|
210
|
108
|
42
|
110
|
12
|
37
|
160
|
15
|
330
|
330
|
270
|
440
|
660
|
|
160L
|
254
|
715
|
|
180M
|
279
|
241
|
121
|
48
|
14
|
42.5
|
9
|
180
|
355
|
380
|
290
|
475
|
810
|
|
180L
|
279
|
850
|
|
200L
|
318
|
305
|
133
|
55
|
16
|
49
|
10
|
200
|
19
|
395
|
420
|
355
|
525
|
890
|
|
225S
|
356
|
286
|
149
|
60
|
140
|
18
|
53
|
11
|
225
|
435
|
470
|
370
|
580
|
930
|
|
225M
|
311
|
970
|
|
250M
|
406
|
349
|
168
|
65
|
140
|
18
|
58
|
11
|
250
|
24
|
490
|
510
|
455
|
650
|
1050
|
|
280S
|
457
|
368
|
190
|
75
|
20
|
67.5
|
12
|
280
|
550
|
580
|
470
|
705
|
1100
|
|
280M
|
419
|
1160
|
|
315S
|
508
|
406
|
216
|
80
|
170
|
22
|
71
|
14
|
315
|
28
|
744
|
645
|
576
|
875
|
1330
|
|
315M
|
457
|
1470
|
|
315L
|
508
|
|
355M
|
610
|
560
|
254
|
95
|
25
|
86
|
14
|
355
|
28
|
740
|
750
|
680
|
1045
|
1750
|
|
355L
|
630
|
机座号
Frame size
|
安装及外形尺寸
Mounting and overall dimensions
|
|
A
|
B
|
C
|
D
|
E
|
F
|
G
|
GD
|
H
|
K
|
M
|
N
|
P
|
R
|
S
|
T
|
AB
|
AC
|
AD
|
HD
|
HD'
|
L
|
|
80M
|
125
|
100
|
50
|
19
|
40
|
6
|
15.5
|
6
|
80
|
10
|
165
|
130
|
200
|
0±1.5
|
12
|
3.5
|
165
|
175
|
160
|
205
|
240
|
350
|
|
90S
|
140
|
56
|
24
|
50
|
8
|
20
|
7
|
90
|
180
|
195
|
175
|
225
|
270
|
400
|
|
90L
|
125
|
430
|
|
100L
|
160
|
140
|
63
|
28
|
60
|
24
|
100
|
12
|
215
|
180
|
250
|
0±2.0
|
15
|
4
|
205
|
215
|
185
|
250
|
290
|
465
|
|
112M
|
190
|
70
|
112
|
245
|
240
|
195
|
270
|
320
|
490
|
|
132S
|
216
|
89
|
38
|
80
|
10
|
33
|
8
|
132
|
265
|
230
|
300
|
280
|
275
|
245
|
320
|
365
|
530
|
|
132M
|
178
|
590
|
|
160M
|
254
|
210
|
108
|
42
|
110
|
12
|
37
|
160
|
15
|
300
|
250
|
350
|
0±3.0
|
19
|
5
|
330
|
330
|
270
|
385
|
440
|
660
|
|
160L
|
254
|
715
|
|
180M
|
279
|
241
|
121
|
48
|
14
|
42.5
|
9
|
180
|
355
|
380
|
290
|
425
|
475
|
810
|
|
180L
|
279
|
850
|
|
200L
|
318
|
305
|
133
|
55
|
16
|
49
|
10
|
200
|
19
|
350
|
300
|
400
|
395
|
420
|
355
|
475
|
525
|
890
|
|
225S
|
356
|
286
|
149
|
60
|
140
|
18
|
53
|
11
|
225
|
400
|
350
|
450
|
0±4.0
|
435
|
470
|
370
|
530
|
580
|
930
|
|
225M
|
311
|
970
|
|
250M
|
406
|
349
|
168
|
65
|
140
|
18
|
58
|
11
|
250
|
24
|
500
|
450
|
550
|
490
|
510
|
455
|
570
|
650
|
1050
|
|
280S
|
457
|
368
|
190
|
75
|
20
|
67.5
|
12
|
280
|
550
|
580
|
470
|
640
|
705
|
1100
|
|
280M
|
419
|
1160
|
|
315S
|
508
|
406
|
216
|
80
|
170
|
22
|
71
|
14
|
315
|
28
|
600
|
550
|
660
|
24
|
6
|
744
|
645
|
576
|
865
|
875
|
1330
|
|
315M
|
457
|
1450
|
|
315L
|
508
|
1450
|
|
355M
|
610
|
560
|
254
|
95
|
25
|
86
|
14
|
355
|
740
|
680
|
800
|
740
|
750
|
680
|
1035
|
1045
|
1750
|
|
355L
|
630
|
机座号
Frame Size
|
安装及外形尺寸
Mounting and overall dimensions
|
|
D
|
E
|
F
|
G
|
GD
|
M
|
N
|
P
|
S
|
R
|
T
|
AC
|
AD
|
HF
|
L
|
|
80M
|
19
|
40
|
6
|
15.5
|
6
|
165
|
130
|
200
|
12
|
0±1.5
|
3.5
|
175
|
160
|
260
|
390
|
|
90S
|
24
|
50
|
8
|
20
|
7
|
195
|
175
|
270
|
445
|
|
90L
|
480
|
|
100L
|
28
|
60
|
24
|
215
|
180
|
250
|
15
|
0±2.0
|
4
|
215
|
185
|
300
|
510
|
|
112M
|
240
|
195
|
320
|
535
|
|
132S
|
38
|
80
|
10
|
33
|
8
|
265
|
230
|
300
|
275
|
245
|
380
|
580
|
|
132M
|
635
|
|
160M
|
42
|
110
|
12
|
37
|
300
|
250
|
350
|
19
|
0±3.0
|
5
|
330
|
270
|
450
|
715
|
|
160L
|
770
|
|
180M
|
48
|
14
|
42.5
|
9
|
380
|
290
|
490
|
870
|
|
180L
|
910
|
|
200L
|
55
|
16
|
49
|
10
|
350
|
300
|
400
|
420
|
355
|
550
|
950
|
|
225S
|
60
|
140
|
18
|
53
|
11
|
400
|
350
|
450
|
0±4.0
|
470
|
370
|
610
|
995
|
|
225M
|
1020
|
|
250M
|
65
|
140
|
18
|
58
|
11
|
500
|
450
|
550
|
510
|
455
|
645
|
1110
|
|
280S
|
75
|
20
|
67.5
|
12
|
580
|
470
|
720
|
1170
|
|
280M
|
1230
|
|
315S
|
80
|
170
|
22
|
71
|
14
|
600
|
550
|
660
|
24
|
6
|
645
|
576
|
900
|
1450
|
|
315M
|
1600
|
|
315L
|
1600
|
|
355M
|
95
|
25
|
86
|
14
|
740
|
680
|
800
|
750
|
680
|
1035
|
1800
|
|
355L
|
1800
|
机座号
Frame size
|
安装及外形尺寸
Mounting and overall dimensions
|
|
D
|
E
|
F
|
G
|
GD
|
M
|
N
|
P
|
R
|
S
|
T
|
AC
|
AD
|
HF
|
L
|
|
80M
|
19
|
40
|
6
|
15.5
|
6
|
165
|
130
|
200
|
0±1.5
|
12
|
3.5
|
175
|
160
|
230
|
350
|
|
90S
|
24
|
50
|
8
|
20
|
7
|
195
|
175
|
235
|
400
|
|
90L
|
430
|
|
100L
|
28
|
60
|
24
|
215
|
180
|
250
|
0±2.0
|
15
|
4
|
215
|
185
|
275
|
465
|
|
112M
|
240
|
195
|
285
|
490
|
|
132S
|
38
|
80
|
10
|
33
|
8
|
265
|
230
|
300
|
275
|
245
|
340
|
530
|
|
132M
|
590
|
|
160M
|
42
|
110
|
12
|
37
|
300
|
250
|
350
|
0±3.0
|
19
|
5
|
330
|
270
|
400
|
660
|
|
160L
|
715
|
|
180M
|
48
|
14
|
42.5
|
9
|
380
|
290
|
435
|
810
|
|
180L
|
850
|
|
200L
|
55
|
16
|
49
|
10
|
350
|
300
|
400
|
420
|
355
|
480
|
890
|
|
225S
|
60
|
140
|
18
|
53
|
11
|
400
|
350
|
450
|
0±4.0
|
470
|
370
|
530
|
930
|
|
225M
|
970
|
注:本产品样本中,所有产品数据参数仅供参考,如有疑问请与工厂联系,并以定货时提供给用户的确认资料为准。
Note:All data shown on this catalogue is just for reference, all the data should be confirmed by final order, if you have any other questions, please contact us.
|