YZ-H系列船用起重用三相异步电动机(单速、双速及三速)
YZ-H Series Three phase Marine Asynchronous Motor For Hoisting (single speed,double speed and three speed)
产品概述 (Product Overview )
YZ-H 系列船用起重用电动机适用于船舶上驱动各种起重机械及冶辅助设备,具有较高的过载能力和机械强度。适用于短时间或断续周期性工作制,频繁起动,制动及有显著振动及有冲击的设备。如锚机、绞盘机及绞盘等,也可作操作不频繁的起货机的动力。该系列电机具有性能好、体积小、噪音低、工作可靠、维修方便等特点。
YZ-H Series three phase marine asynchronous motor for hoisting is suitable for driving various hoisting and smelting auxiliary equipments on board ship,the motors has good ability of overload and mechanical strength.it dose apply to short time or intermittent period duty,it is also used for frequent starting, braking and working with equipment which has abvious vibration and shock. such as anchor windlass,winch,capstan and so on,it can also provide power for cargo winch that is no need to operate frequently.the motor has feature of good performance, small size,low noise,reliable working and easy manitenance etc.
工作环境条件(Operating Conditions)
海拔≤1000m
Altitude should be lower than 1000m above sea level
环境温度: -25~+45℃
Ambient temperature -25~+45℃
空气相对湿度 ≤95%
Relative humidity should be less than 95%.
倾斜: ±22.5°
Inclination :±22.5°
摇摆: ±22.5°
Swing:±22.5°
有盐雾、油雾、霉菌及海水的影响
Influenced by Dew、Salt mist、Oil mist、Fungus and sea water.
有船舶和近海装置正常营运和作业中产生的冲击、振动的影响
Influenced by shock and vibration come from ships and offshore installation.
防护等级:IP56; 绝缘等级:F
Protection :IP56 ; Insulation :F
电压/频率:380V/50Hz、440V/60Hz
Voltage/Frequency: 380V/50Hz、440V/60Hz
型号说明(Type Designation)
技术数据(Technical Data)
单速、双速 (Single Speed 、Double Speed)
型 号
Type
|
额定功率
Rated Output (kW)
|
额定电流
Rated current (A)
|
额定转速
Rated Speed (r/min)
|
工作制 Duty
|
直流制动器 DC Brake
|
|
380V 50Hz
|
440V 60Hz
|
380V 50Hz
|
440V 60Hz
|
380V 50Hz
|
440V 60Hz
|
电 压 VOLT (V)
|
电 流 Current (A)
|
制动力矩 Braking torque (N·m)
|
|
YZ112S-4-H
|
1.5
|
1.8
|
4.3
|
4.5
|
1360
|
1632
|
S2-30min
|
110
|
1.37
|
33
|
|
YZ112M-4-H
|
2.2
|
2.5
|
6
|
5.92
|
1360
|
1630
|
|
YZ112L-4-H
|
3.7
|
4
|
9.6
|
8.98
|
1360
|
1630
|
|
YZ112S-6-H
|
1.1
|
1.2
|
3.5
|
3.31
|
890
|
1068
|
|
YZ112M-6-H
|
1.5
|
1.8
|
4.65
|
4.82
|
890
|
1068
|
|
YZ112L-6-H
|
2.2
|
2.5
|
6.6
|
6.51
|
890
|
1068
|
|
YZ132M1-4-H
|
5.5
|
6.3
|
13.4
|
13.3
|
1356
|
1670
|
1.56
|
72
|
|
YZ132M2-4-H
|
7.5
|
8.5
|
18.5
|
17.88
|
1360
|
1690
|
|
YZ132S-6-H
|
3.7
|
4
|
10.5
|
9.85
|
940
|
1130
|
|
YZ132M-6-H
|
5.5
|
6.3
|
15.3
|
15.1
|
940
|
1130
|
|
YZ160S-6-H
|
7.5
|
8.5
|
19.73
|
19.31
|
940
|
1140
|
1.61
|
160
|
|
YZ160L-6-H
|
11
|
13
|
26.8
|
27.34
|
930
|
1130
|
|
YZ180L-6-H
|
15
|
18.5
|
36
|
38.42
|
960
|
1152
|
2.24
|
203
|
|
YZ200M-6-H
|
18.5
|
22
|
43.9
|
45.13
|
950
|
1140
|
2.23
|
260
|
|
YZ225S-6-H
|
22
|
25
|
50.97
|
50.03
|
950
|
1140
|
2.16
|
399
|
三速 (Three Speed )
型号
Type
|
额定功率
Rated Output (kW)
|
额定电流
Rated current (A)
|
额定转速
Rated Speed (r/min)
|
工作制 Duty
|
直流制动器 DC Brake
|
|
380V/50Hz
|
440V/60Hz
|
380V/50Hz
|
440V/60Hz
|
380V/50Hz
|
440V/60Hz
|
电压 VOLT (V)
|
电流 Current (A)
|
制动力矩 Braking torque (N·m)
|
|
YZ132M-4/12-H
|
3/1.1
|
3.5/1.2
|
8.3/7.6
|
8.4/8.6
|
1360/430
|
1660/530
|
S2-30/10min
|
110
|
1.56
|
72
|
|
YZ132L-4/12-H
|
4/1.5
|
4.5/1.7
|
10.3/9.1
|
10/8.9
|
1400/430
|
1700/530
|
|
YZ160L-4/12-H
|
6.3/2.2
|
7.5/2.5
|
15.4/11.9
|
16.2/11.7
|
1394/426
|
1690/530
|
1.61
|
160
|
|
YZ180L-4/12-H
|
8.5/3.5
|
10/4.0
|
19/18
|
20.5/17.7
|
1400/438
|
1690/520
|
2.24
|
203
|
|
YZ180L-4/16-H
|
11/3
|
13/3.5
|
24/16
|
26.8/16.7
|
1424/328
|
1742/380
|
S2-30/15min
|
|
YZ200M-4/16-H
|
15/4
|
17/4.5
|
32.8/24.1
|
33.2/23.4
|
1420/340
|
1740/400
|
2.23
|
260
|
|
YZ200L-4/16-H
|
18.5/5.5
|
22/6.3
|
40.4/32.6
|
42.4/32.3
|
1420/340
|
1740/410
|
|
YZ200S-4/8/16-H
|
9/9/4.2
|
10/10/4.7
|
21.4/24.7/37.3
|
20.5/23.7/36.4
|
1435/684/324
|
1738/837/406
|
S2-10/30/5min
|
110
|
2.23
|
260
|
|
YZ200L-4/8/16-H
|
12.5/12.5/5.7
|
14/14/6.5
|
29.3/34.3/49.5
|
28.4/33.2/49.4
|
1437/689/330
|
1733/840/410
|
|
YZ225S-4/8/16-H
|
16.8/16.8/8
|
19/19/9.1
|
38.9/46.2/67.6
|
38/45/67.9
|
1420/683/333
|
1723/835/413
|
2.16
|
399
|
|
YZ225L-4/8/16-H
|
22.5/22.5/10.6
|
25/25/12
|
51.5/60.3/85.6
|
49.4/57.9/86.3
|
1422/686/334
|
1725/838/415
|
|
YZ250S-4/8/16-H
|
30/30/14.5
|
33.5/33.5/16
|
63.8/71.3/105.5
|
61.6/68.7/103.5
|
1410/680/336
|
1713/832/415
|
2.65
|
876
|
|
YZ250M-4/8/16-H
|
42/42/20
|
46/46/22
|
86.3/95/112.6
|
81.6/89.8/110
|
1410/676/334
|
1707/830/414
|
|
YZ280S-4/8/16-H
|
56/56/27
|
63/63/30
|
114/120.6/147.5
|
111.2/117.2/145
|
1414/694/345
|
1717/844/423
|
2.45
|
1550
|
|
YZ280L-4/8/16-H
|
75/75/36
|
84/84/40
|
154/161.5/182
|
149/156.2/179.5
|
1427/692/345
|
1729/843/423
|
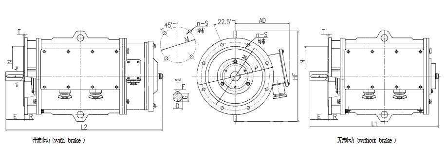
外形及安装尺寸
(Mounting and Overall Dimensions)
单速、双速 (Single Speed 、Double Speed)
机座号
Frame Size
|
外形及安装尺寸 Mounting and Overall Dimension
|
重量 Weight(kg)
|
|
A
|
B
|
C
|
D
|
E
|
F
|
G
|
H
|
K
|
AB
|
AD
|
HA
|
HD
|
L1
|
L2
|
L1
|
L2
|
|
112S
|
190
|
114
|
70
|
28
|
60
|
8
|
24
|
112
|
12
|
235
|
215
|
12
|
290
|
315
|
440
|
51
|
73
|
|
112M
|
140
|
340
|
465
|
54
|
74
|
|
112L
|
159
|
360
|
490
|
60
|
86
|
|
132S
|
216
|
140
|
89
|
38
|
80
|
10
|
33
|
132
|
259
|
225
|
15
|
330
|
425
|
545
|
63
|
99
|
|
132M
|
178
|
455
|
590
|
85
|
122
|
|
132L
|
203
|
485
|
615
|
86
|
|
160S
|
254
|
178
|
108
|
42
|
110
|
12
|
37
|
160
|
15
|
303
|
258
|
20
|
380
|
510
|
650
|
120
|
145
|
|
160L
|
254
|
590
|
740
|
150
|
175
|
|
180L
|
279
|
279
|
121
|
48
|
14
|
42.5
|
180
|
341
|
275
|
400
|
660
|
810
|
220
|
260
|
|
200M
|
318
|
267
|
133
|
200
|
19
|
385
|
300
|
470
|
240
|
330
|
|
200L
|
305
|
706
|
846
|
295
|
380
|
|
225S
|
356
|
286
|
149
|
55
|
16
|
49
|
225
|
435
|
325
|
520
|
730
|
890
|
325
|
426
|
单速、双速 (Single Speed 、Double Speed)
|
机座号 Frame Size
|
外形及安装尺寸 Mounting and Overall Dimension
|
重量 Weight(kg)
|
|
D
|
E
|
F
|
G
|
M
|
N
|
P
|
R
|
S
|
T
|
n
|
AD
|
HF
|
L1
|
L2
|
L1
|
L2
|
|
112S
|
28
|
60
|
8
|
24
|
265
|
230
|
300
|
0+0.25 0
|
15
|
4
|
4
|
215
|
335
|
315
|
440
|
51
|
73
|
|
112M
|
340
|
465
|
54
|
74
|
|
112L
|
360
|
490
|
60
|
86
|
|
132S
|
38
|
80
|
10
|
33
|
225
|
350
|
425
|
545
|
63
|
99
|
|
132M
|
455
|
590
|
85
|
122
|
|
132L
|
485
|
615
|
86
|
|
160S
|
42
|
110
|
12
|
37
|
300
|
250
|
350
|
19
|
5
|
258
|
390
|
510
|
650
|
120
|
145
|
|
160L
|
590
|
740
|
150
|
175
|
|
180L
|
48
|
14
|
42.5
|
350
|
300
|
400
|
275
|
420
|
660
|
810
|
220
|
260
|
|
200M
|
400
|
350
|
450
|
8
|
300
|
490
|
240
|
330
|
|
200L
|
706
|
846
|
295
|
380
|
|
225S
|
55
|
16
|
49
|
500
|
450
|
550
|
325
|
550
|
730
|
890
|
325
|
426
|
单速、双速 (Single Speed 、Double Speed)
|
机座号 Frame Size
|
外形及安装尺寸 Mounting and Overall Dimension
|
重量 Weight(kg)
|
|
D
|
E
|
F
|
G
|
M
|
N
|
P
|
R
|
S
|
T
|
n
|
AD
|
HF
|
L1
|
L2
|
L1
|
L2
|
|
112S
|
28
|
60
|
8
|
24
|
265
|
230
|
300
|
0+0.25 0
|
15
|
4
|
4
|
215
|
360
|
315
|
440
|
51
|
73
|
|
112M
|
340
|
465
|
54
|
74
|
|
112L
|
360
|
490
|
60
|
86
|
|
132S
|
38
|
80
|
10
|
33
|
225
|
385
|
425
|
545
|
63
|
99
|
|
132M
|
455
|
590
|
85
|
122
|
|
132L
|
485
|
615
|
86
|
|
160S
|
42
|
110
|
12
|
37
|
300
|
250
|
350
|
19
|
5
|
258
|
430
|
510
|
650
|
120
|
145
|
|
160L
|
590
|
740
|
150
|
175
|
|
180L
|
48
|
14
|
42.5
|
350
|
300
|
400
|
275
|
450
|
660
|
810
|
220
|
260
|
|
200M
|
400
|
350
|
450
|
8
|
300
|
510
|
240
|
330
|
|
200L
|
706
|
846
|
295
|
380
|
|
225S
|
55
|
16
|
49
|
500
|
450
|
550
|
325
|
550
|
730
|
890
|
325
|
426
|
三 速 (Three Speed)
|
机座号 Frame Size
|
外形及安装尺寸 Mounting and Overall Dimension
|
重量 Weight(kg)
|
|
A
|
B
|
C
|
D
|
E
|
F
|
G
|
H
|
K
|
AB
|
AD
|
HA
|
HD
|
L1
|
L2
|
L1
|
L2
|
|
200S
|
318
|
228
|
133
|
48
|
110
|
14
|
42.5
|
200
|
19
|
398
|
300
|
20
|
470
|
660
|
790
|
249
|
335
|
|
200L
|
305
|
740
|
870
|
280
|
385
|
|
225S
|
356
|
286
|
149
|
55
|
16
|
49
|
225
|
436
|
325
|
520
|
765
|
925
|
330
|
405
|
|
225L
|
356
|
835
|
995
|
390
|
465
|
|
250S
|
406
|
311
|
168
|
65
|
140
|
18
|
58
|
250
|
24
|
506
|
400
|
23
|
600
|
845
|
1030
|
600
|
690
|
|
250M
|
349
|
880
|
1060
|
700
|
850
|
|
280S
|
457
|
368
|
190
|
75
|
20
|
67.5
|
280
|
557
|
430
|
660
|
910
|
1125
|
800
|
880
|
|
280L
|
457
|
1000
|
1215
|
1010
|
1200
|
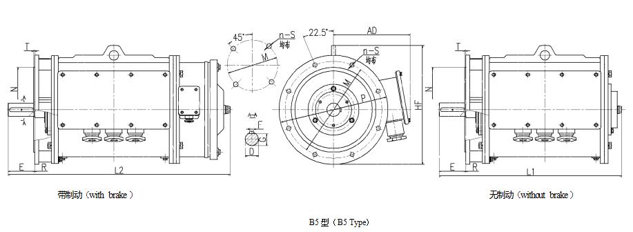
三 速 (Three Speed)
|
机座号 Frame Size
|
外形及安装尺寸 Mounting and Overall Dimension
|
重量 Weight(kg)
|
|
D
|
E
|
F
|
G
|
M
|
N
|
P
|
R
|
S
|
T
|
n
|
AD
|
HF
|
L1
|
L2
|
L1
|
L2
|
|
200S
|
48
|
110
|
14
|
42.5
|
350
|
300
|
400
|
0+0.25 0
|
19
|
5
|
4
|
300
|
490
|
660
|
790
|
249
|
335
|
|
200L
|
740
|
870
|
280
|
385
|
|
225S
|
55
|
16
|
49
|
400
|
350
|
450
|
18
|
8
|
325
|
510
|
765
|
925
|
330
|
405
|
|
225L
|
835
|
995
|
390
|
465
|
|
250S
|
65
|
140
|
18
|
58
|
500
|
450
|
550
|
400
|
585
|
845
|
1030
|
600
|
690
|
|
250M
|
880
|
1060
|
700
|
850
|
|
280S
|
75
|
20
|
67.5
|
430
|
670
|
910
|
1125
|
800
|
880
|
|
280L
|
1000
|
1215
|
1010
|
1200
|
三 速 (Three Speed)
|
机座号 Frame Size
|
外形及安装尺寸 Mounting and Overall Dimension
|
重量 Weight(kg)
|
|
D
|
E
|
F
|
G
|
M
|
N
|
P
|
R
|
S
|
n
|
T
|
AD
|
HF
|
L1
|
L2
|
L1
|
L2
|
|
200S
|
48
|
110
|
14
|
42.5
|
350
|
300
|
400
|
0
|
19
|
4
|
5
|
300
|
510
|
660
|
790
|
249
|
335
|
|
200L
|
740
|
870
|
280
|
385
|
|
225S
|
55
|
16
|
49
|
400
|
350
|
450
|
18
|
8
|
325
|
540
|
765
|
925
|
330
|
405
|
|
225L
|
835
|
995
|
390
|
465
|
|
250S
|
65
|
140
|
18
|
58
|
500
|
450
|
550
|
400
|
615
|
845
|
1030
|
600
|
690
|
|
250M
|
880
|
1060
|
700
|
850
|
|
280S
|
75
|
20
|
67.5
|
430
|
750
|
910
|
1125
|
800
|
880
|
|
280L
|
1000
|
1215
|
1010
|
1200
|
注:本产品样本中,所有产品数据参数仅供参考,如有疑问请与工厂联系,并以定货时提供给用户的确认资料为准。
Note:All data shown on this catalogue is just for reference, all the data should be confirmed by final order, if you have any other questions, please contact us.
|